Subtotal: $0.00
150,000 psi Pumping System
Model PS-150
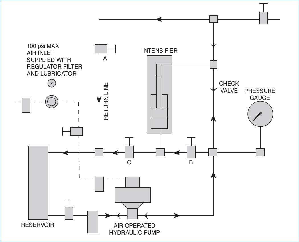
The Model PS-150 Pumping System is designed for generating hydraulic pressure up to 150,000 psi by means of an air operated hydraulic pump and an intensifier. The 10 to 1 ratio intensifier is fully illustrated on page 73. This system is complete and ready to operate requiring only the connection of an air supply of approximately 80 psi.
The steel console is 26” wide, 24” deep, 40” high and includes manual valves, air regulator, filter and lubricator, air gauge, high pressure gauge, reservoir, oil filter, pump (0-16,000 psi), related high pressure tubing and fittings.
The 0-20,000 psi pressure gauge is connected to the low pressure side of the intensifier which has a ratio of 10 to 1. Pressure on the high pressure side of the intensifier is thus determined by multiplying the gauge reading by 10. A small variation must be allowed for friction from the intensifier packing.
The air operated hydraulic pump pressurizes the system to 16,000 psi with valves “A” and “B” closed and the intensifier piston is automatically positioned to the low pressure end of its stroke. With valves “A” and “C” closed, valve “B” is opened to allow the pump to pressurize the low pressure end of the intensifier. The fluid in the high pressure end of the intensifier is thus pressurized with a 10 to 1 ratio. If the intensifier reaches the end of its stroke before the desired pressure is achieved, the intensifier may be recycled. The intensifier output is approximately 1.2 cubic inches per stroke.


Downloads
Air Driven Pumps, Boosters & Packaged Systems Catalog
Packaged Power Section
DownloadValves, Fittings & Tubing, Pressure Vessels & Reactors Catalog
Download
Condensed Catalog
Download
Pricelist
Download
