Subtotal: $0.00
Sprague PowerStarâ„¢ 4
Advanced Air Driven Pump System
Features
- A patented design
- One common air motor module for all eight ratios
- Easy conversion to separated (non-contaminating) configuration
- A double-ended unit that provides even higher flows
- Safe operation in hazardous environments
- Automatic shut-off at set pressure
- Stainless steel wetted parts
- Easy assembly and service for air motor and high pressure modules (field assembly requires careful alignment; (see Assembly & Operating Instructions)
Ideal Use for:
- Hydrostatic testing of pressure vessels using various liquids (avoid running the pump dry or sudden release of outlet pressure)
- Low volume, high pressure testing
- Low volume, liquid transfer (higher pressure capability than double diaphragm pumps)
Suitable for Most Water Applications
- Cleanliness and lubricity of liquid being pumped will affect pump seal life.
- A five-micron inlet filter is recommended.
- For applications that contain highly contaminated air and/or liquids, contact the Factory.
How the PowerStar™ 4 Pump Works
The PowerStar™ 4 pumps develop high output pressures by applying the principle of differential areas. The pump has a large area air piston (air driven at low 5 to 100 psi pressures). This air piston drives a small area liquid piston that pumps liquids to high pressures.
The liquid output pressure is determined by the ratio between the area of the air drive piston, the area of the liquid drive piston and the applied driving air pressure. The relationship of the area of the air piston to the liquid piston is referred to as the pump ratio which is indicated in the number following the air module number (P4).
Example: The P45 pump has a nominal ratio of 5 to 1 or 5 psi liquid pressure for each 1 psi of operating air pressure. In operation, the P45 pump using 100 psi of input air pressure could produce a maximum liquid output of 480 psi; 80 psi air - 370 psi output; 60 psi air - 270 psi output; and 40 psi air - 180 psi output. Output pressures will vary and be reduced by 5 to10% through internal friction depending on the lubricity of the liquid.
By regulating the incoming air supply at the pressure regulator, the liquid output can be infinitely adjusted through the pump's pressure range.

PowerStar™ 4 Performance
SAMPLE PERFORMANCE CHART

EXAMPLES:
- With 100 PSI (6.8 BAR) driving air, the pump will consume 50 SCFM (1.41 NM3/MIN) at an operating pressure of 1,000 PSI (68 BAR) and will produce an outlet flow of 358 Cu. In./ Min. (5.9 LPM).
- If the volume of compressed air is reduced to 20 SCFM (.57 NM3/MIN), the flow will be reduced to 225 Cu. In./Min. (15.3 Liters). Shaded area indicated flow reduction.
NOTES:
Most air compressors will produce 4 to 5 SCFM of compressed air per horsepower at 100 PSI.
All air driven pumps will operate on low air volumes as long as the supply of air is sufficient to operate the air selector valve.
Performance charts are based upon air supply stated, pumping oil (Mil-H-5606) with flooded suction.









PowerStar™ 4 Part Identification
COMPLETE UNIT EXAMPLES
(USING A 64:1 RATIO):
| Standard 64:1 ratio pump | P464 |
| Separated 64:1 ratio | P4S64 |
| Double ended 64:1 ratio pump | S64P4S64 |
| Double ended 64:1 ratio pump w/ air controls | S64P4S64C |
| Double ended 64:1 ratio pump w/ air and high pressure controls | S64P4S64CP |

How to Order
To order a hydraulic pump, the ratio of the pump must be selected.
Define the liquid pressure and flow requirements for the application as well as the available air pressure and volume; then refer to the Pump Performance graphs on pages 35 & 36.
From the chart, select a pump that exceeds the requirements. Drive air may be throttled if flow must be reduced.
Use this pump liquid module ratio number and add it to the end of the pump air motor module number. Example: P45.
| 5:1 | 2.4 cu in | |
| 10:1 | 1.2 cu in | |
| 21:1 | .6 cu in | |
| 34:1 | .37 cu in | |
| 64:1 | .2 cu in | |
| 114:1 | .11 cu in | |
| 203:1 | .06 cu in | |
| 333:1 | .04 cu in |

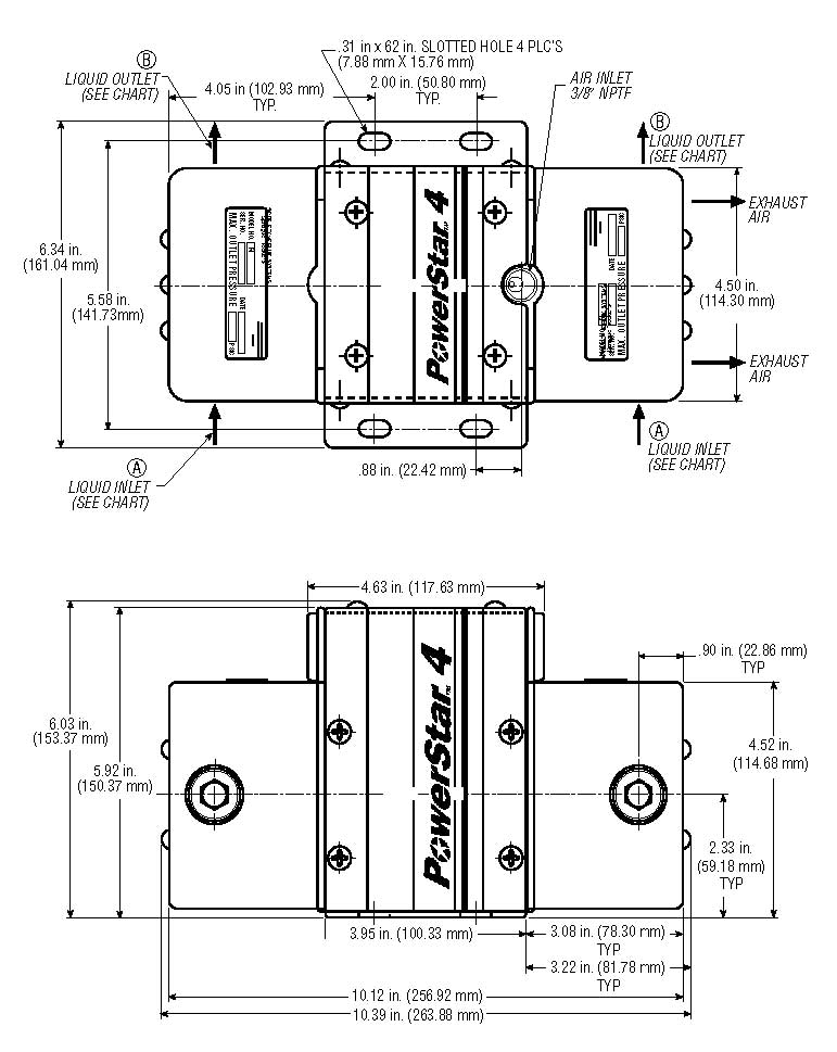
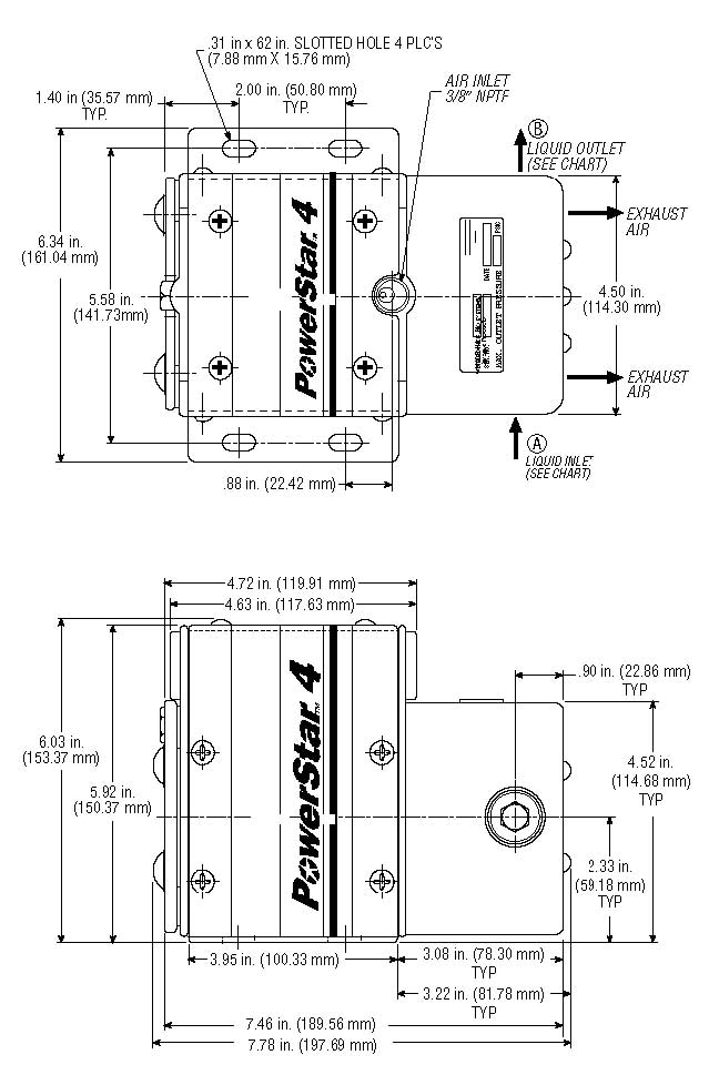
PowerStar™ 4 Dimensions, Weights and Porting


