Subtotal: $0.00
PowerStar 4 Air Amplifiers

Performance Chart AA4P4AA4
Double-Ended Air Amplifier

Solid lines indicate approximate flows at various driving air pressure. Dotted lines indicate air consumption in scfm.
All air driven air amplifiers will operate on low air volumes as long as the supply is sufficient to overcome minor internal leakage and operate the air selector valve in the air motor section.
Note: Most air compressors produce 4-5 scfm of compressed air per horsepower at 100 psi. As an example, with 100 psi (6.8 bar) driving air, the air amplifier consumes 30 scfm at an operating pressure of 200 psi (14 bar) and produces an outputflow of 3.5 scfm. *Note: for applications above 450 psi (31.5 bar), consult factory.
Note: stall conditions on double ended units are best achieved by regulating air motor pressure 10% lower than precharge. Note: most air compressors produce 4-5 scfm of compressed air per horsepower at 100 psi. As an example, with 100 psi (6.8 bar) driving air, the air amplifier consumes 30 scfm at an operating pressure of 200 psi (14 bar) and produces an output flow of 3.5 scfm.
Note: for applications above 450 psi (31.5 bar), consult factory. Note: stall conditions on double ended units are best achieved by regulating air motor pressure 10% lower than precharge.
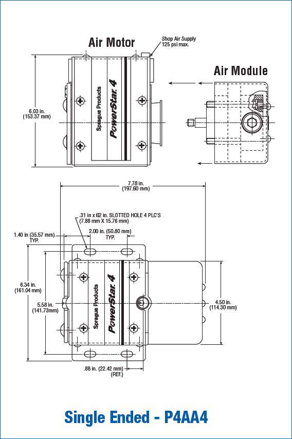
Nominal Dimensions


How PowerStar™ 4 Air Amplifiers Work
The PowerStar™ 4 air amplifier develops high output pressures by applying the principle of differential areas. It features a large area air motor piston (air driven at low 10-125 psi pressures) that drives a small area air piston that amplifies the incoming air pressure.
Air output pressure is determined by the ratio between the area of the air motor piston, the area of the small high pressure piston and the applied driving air pressure. The relationship of the air motor piston to the small area piston is referred to as the Air Amplifier Ratio.
In operation, the AA4P4AA4 model using 125 psi input air pressure (at the air motor), can produce a maximum air outputpressure of 600 psi (limited to 500 psi in the P4AA4PCT and AA4P4AA4PCT models with an ASME tank rated at 500 psi). At 100 psi input air pressure, the air amplifier can produce an output air pressure of 450 psi; at 50 psi input pressure, it can produce an output air pressure of 300 psi.

Weights, Porting & Ordering Information
Weights & Porting
Typical 5 gallon ASME Tank

Ordering Information

Downloads
Sprague Booster Section
Download
Air Driven Pumps, Boosters & Packaged Systems Catalog
Valves, Fittings & Tubing, Pressure Vessels & Reactors Catalog
Download
Condensed Catalog
Download
Pricelist
Download
